Bafer grejanje/hlađenje 800 lit BURNIT
BAFER – AKUMULATOR SUNSYSTEM P – BEZ IZMENJIVAČA
Akumulira toplotu koju stvara kotao. Preporučuje se za svaki sistem grejanja. Osigurava optimalni režim rada kotla, obezbeđujući njegovo funkcionisanje nominalnom izlaznom snagom, čak i kada sistem grejanja ne zahteva svu toplotnu energiju proizvedenu na taj način. Proizvodena toplota se akumulira i čuva unutar rezervoara i može se koristiti čak i kada se kotao ohladi.
PREDNOSTI:
- Visoko efikasna prenosiva izolacija i omotač od PVC obojen bojom RAL 9006.
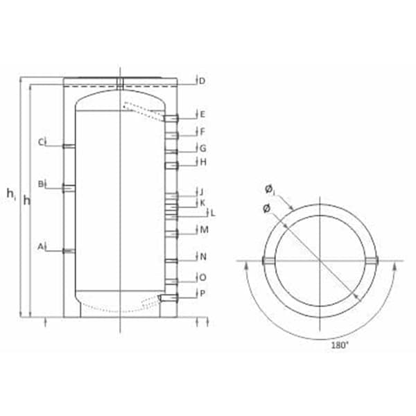
- Multipoziciono montiranje senzora temperature.
- Obložena spoljna površina.
- Svi izlazi sa unutrašnjim navojima.
- Ulaz/Izlaz – pod uglom od 180 stepeni.
- Jednostavna montaža.
- Opremljeni električnim kompletom nominalne snage 3kW, 4.5kW, 6kW ili 7.5kW.
ELEMENTI:
1 - PVC omotač obojen bojom RAL 9006
2 - Obložena spoljna površina
3 - Prenosiva izolacija
4 - Rezervoar vode od čeličnog lima
ENERGETSKA EFIKASNOST
- Direktiva 2010/30/ES, Uredba 812/2013
- Klasa E za kapacitet od 300 do 500 litara
- Klasa Е za kapacitet od 800 do 1000 litara.
| Zapremina |
L | 800 |
| Prečnik bez Izolacija ø sa Izolacija øi |
mm | 790 990 |
| Visina bez Izolacija h sa Izolacija hi |
mm | 1860 1910 |
| Montažna visina |
mm | 1900 |
| Radni pritisak / maks. temperatura bafera |
bar/°C | 3/95 |
| Preporučena jačina kotla, za povezivanje sa baferom |
kW | 15-27 |
| Težina Bafera / Izolacija |
Kg | 118/16,4 |
| Priključak za sensor |
A, mm G½“ | 570 |
| Elektro grejač |
B, mm G1½“ | 920 |
| Priključak za sensor |
C, mm G½“ | 1290 |
| Odzračivanje |
D, mm G1½” | 1860 |
| Dovod izmenjivač toplote |
E, mm G1½“ | 1573 |
| Ulaz za bafera |
F, mm G1½“ | 1390 |
| Priključak za sensor |
G, mm G½“ | 1290 |
| Izmenjivač toplote |
H, mm G1½“ | - |
| Izmenjivač toplote |
I, mm G1″ | |
| Izmenjivač toplote |
J, mm G1½“ | 980 |
| Dodatni priključak |
K, mm | - |
| Ulaz za bafera |
L, mm G1″ | 820 |
| Izmenjivač toplote |
M, mm G1½“ | 670 |
| Priključak za sensor |
N, mm G½“ | 465 |
| Ulaz za bafera |
O, mm G1″ | 310 |
| Dovod izmenjivač toplote |
P, mm G1½“ | 170 |
Proizvođač: SUNSYSTEM
Naziv: Bafer grejanje/hladjenje 800 lit BURNIT
Šifra proizvoda: 48309























